东升国际官网

公司业务板块

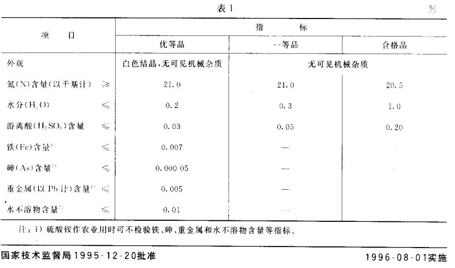
硫酸铵

硫酸铵执行合格品

分享到:
规格参数
硫酸铵执行合格品
 
机能表征

东升国际官网-钻营健全,你我一路成长
硫酸铵执行合格品

?
Copyright ? 2014-2020 东升国际官网 黑ICP备13000448号-1  黑公网安备23090002000105
【网站地图】【sitemap】